Napínacie prvky s prednou montážou
Material: Housing up to Ø 78 mm made of sintered steel, over Ø 78 mm made of grey cast iron GG20, lever made of St52. These tensioning elements are in general identical to the standard version. For easier mounting they are fixed from the lever side using an in-and-out screw. A thread has to be cut in the machine housing. The supplied screw is secured for transport with an O-Ring. Can be used for both tensioning directions.
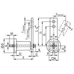
| SKU | Size | F max. at normal [N] | F max. at hard [N] | s max. normal [mm] | s max. hard [mm] | D [mm] | E [mm] | G [mm] | H [mm] | J1 [mm] | J2 [mm] | K [mm] | L [mm] | M [mm] | N [mm] | O [mm] | P [mm] | Q [mm] | R [mm] | T [mm] | MA [Nm] | Weight [kg] |
|---|---|---|---|---|---|---|---|---|---|---|---|---|---|---|---|---|---|---|---|---|---|---|
| 14080107 | 1 | 135 | 170 | 50 | 40 | 45 | 64 +1,0 -0,5 | 5 | M6 | 100 | 80 | 25 | 112,5 | 12 | 30 | 8 | 8,5 | 20,8 | 10 | 10,5 | 17 | 0,4 |
| 14080207 | 2 | 350 | 440 | 50 | 40 | 58 | 79 +1,5 -0,5 | 7 | M8 | 100 | 80 | 30 | 115 | 18 | 35 | 10,5 | 8,5 | 25,3 | 11 | 10,5 | 41 | 0,65 |
| 14080307 | 3 | 810 | 1050 | 65 | 50 | 78 | 108 +2,0 -0,5 | 8 | M10 | 130 | 100 | 50 | 155 | 17 | 52 | 15 | 10,5 | 34,3 | 15 | 12,5 | 83 | 1,85 |
| 14080407 | 4 | 1500 | 1875 | 87,5 | 70 | 95 | 140 +2,0 -0,5 | 10 | M12 | 175 | 140 | 60 | 205 | 16 | 66 | 15 | 12,5 | 42,0 | 17 | 20,5 | 145 | 3,7 |