Product image
Product image


Material: Casing made of sintered steel or grey cast iron GG20, lever made of St52.

The design of these tensioning elements is identical to the standard version, but they are zinc-plated and the synthetic spring elements are resistant to mineral oils. These components are especially suited for 'outdoor' applications, e.g. for construction machinery or for use inside the oilbath of a gearbox. The tensioning elements are marked with a yellow dot on the lever. Can be used for both tensioning directions.

Temperature range: -30°C to -90°C.

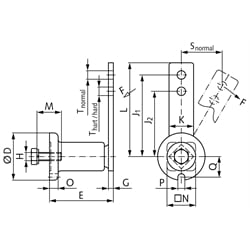
SKU Size F max. at normal [N] F max. at hard [N] s max. normal [mm] s max. hard [mm] D [mm] E [mm] G [mm] H [mm] J1 [mm] J2 [mm] K [mm] L [mm] M [mm] N [mm] O [mm] P [mm] Q [mm] T [mm] MA [Nm] Weight [kg]
14080003 0 96 128 40 30 35 51 +1,0 -0,5 5 M6 80 60 20 90 20 22 6 8 16,5 8,5 10 0,2
14080103 1 135 170 50 40 45 64 +1,0 -0,5 5 M8 100 80 25 112,5 25 30 8 8,5 20,8 10,5 25 0,4
14080203 2 350 440 50 40 58 79 +1,5 -0,5 7 M10 100 80 30 115 30 35 10,5 8,5 25,3 10,5 49 0,6
14080303 3 810 1050 65 50 78 108 +2,0 -0,5 8 M12 130 100 50 155 40 52 15 10,5 34,3 12,5 86 1,7
14080403 4 1500 1875 87,5 70 95 140 +2,0 -0,5 10 M16 175 140 60 205 40 66 15 12,5 42,0 20,5 210 3,55