Napínacie valčeky z plastu
Material: Roller from plastic PA 6. Ball bearings DIN 625 from bearing steel.
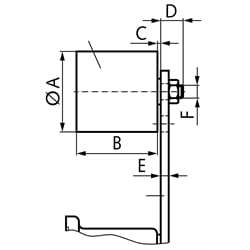
Mounted on a suitable tensioning element, the tensioning roller becomes a ready-to-mount belt tensioner or on its own it can be used as idler. It runs on two permanently lubricated 2-Z ball bearings.
Temperature range: -35º to +100ºC.
| SKU | Matching Tensioner | Diam. A [mm] | B [mm] | C [mm] | D [mm] | E max. [mm] | F [mm] | Speed max. [min-1] | Weight [kg] |
|---|---|---|---|---|---|---|---|---|---|
| 14087200 | 14080000 | 30 | 35 | 2 | 14 | 5 | M 8 | 8000 | 0,08 |
| 14087400 | 14080100 | 40 | 45 | 6 | 16 | 7 | M 10 | 8000 | 0,17 |
| 14087600 | 14080300 | 60 | 60 | 8 | 17 | 8 | M 12 | 6000 | 0,40 |
| 14087800 | 14080400 | 80 | 90 | 8 | 25 | 10 | M 20 | 5000 | 1,15 |
| 14087900 | 14080400 | 90 | 135 | 10 | 27 | 12 | M 20 | 4500 | 1,75 |