Posuvná matica pre NPT, verzia C, s trapézovým závitom
Material: Bronze CuSn12-C-GC (2.1052).
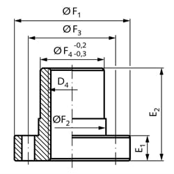
Preferred installation position for compressive force: with the flange facing downwards (compressive load on the flange instead of tensile load on the screws).
| SKU | Size | D4 [mm] | E1 [mm] | E2 [mm] | F1 [mm] | F2h9 [mm] | F3 [mm] | F4 [mm] | Befestigungsbohrung [mm] | Gewicht [kg] | Kardanadapter KARA [Art.-Nr.] | Adapterkonsole KONA [Art.-Nr.] |
|---|---|---|---|---|---|---|---|---|---|---|---|---|
| 47500016 | 0 | TR. 16x4 | 10 | 25 | 45 | 25 | 35 | 25 | 6 x Ø6 | 0,2 | 64470125 | 64470225 |
| 47500116 | 1 | TR. 18x4 | 12 | 44 | 48 | 28 | 38 | 28 | 6 x Ø6 | 0,3 | 64470128 | 64470228 |
| 47500216 | 2 | TR. 20x4 | 12 | 44 | 55 | 32 | 45 | 32 | 6 x Ø7 | 0,4 | 64470132 | 64470232 |
| 47500316 | 3 | TR. 30x6 | 14 | 46 | 62 | 38 | 50 | 38 | 6 x Ø7 | 0,7 | 64470138 | 64470238 |
| 47500416 | 4 | TR. 40x7 | 16 | 73 | 95 | 63 | 78 | 63 | 6 x Ø9 | 2,0 | 64470163 | 64470263 |