Product image
Product image


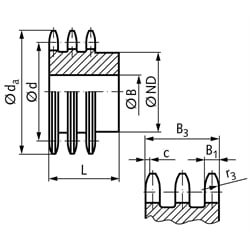
Material: Steel C45, not hardened. Pre-bored. Sprockets marked with 1) made from St52 with welded in hub.

General dimensions: B1 = 28.8 mm, B3 = 148 mm, c = 5 mm, r3 = 44 mm.
Other dimensions: See the table.

SKU No. of Teeth da [mm] d [mm] ND [mm] B [mm] L [mm] Weight [kg]
13930800 8 133,8 116,15 74 30 180 8,2
13930900 9 148,1 129,96 88 30 180 11,2
13931000 10 162,4 143,84 100 30 180 14,5
13931100 11 176,6 157,77 112 30 180 18,2
13931200 12 190,8 171,74 125 30 180 22,5
13931300 13 205,1 185,74 130 30 180 26,7
13931400 14 219,3 199,76 130 30 180 31,0
13931500 15 233,5 213,79 145 30 180 36,4
13931600 16 247,7 227,84 160 30 180 42,4
13931700 17 261,9 241,91 160 30 180 47,8
13931800 18 276,1 255,98 160 30 180 53,6
13931900 19 290,3 270,06 180 30 180 61,0
13932000 20 304,4 284,14 180 30 180 67,5
13932100 21 318,6 298,24 180 30 180 74,5
13932300 23 347,0 326,44 180 30 180 89,3
13933800 38 559,4 538,27 200 40 180 247,6