Napínače DIN 1478, pozinkované
Material: Steel S235, galvanic zinc-plated.
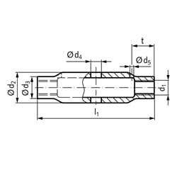
These turnbuckle nuts from seamless steel tube are supplied with cross-holes, according to DIN 1478, which serve to check the minimum thread engagement.
* Threads: one side right-hand thread, other side left-hand thread.
| SKU | d1* [mm] | d2 [mm] | d3 [mm] | d4 [mm] | d5 [mm] | l1 [mm] | t [mm] | Adjustability | Weight [g] |
|---|---|---|---|---|---|---|---|---|---|
| 65390600 | M6 | 17,2 | 9 | 6 | 4 | 110 | 9,5 | 90 | 120 |
| 65390800 | M8 | 17,2 | 12 | 8 | 4 | 110 | 12 | 85 | 140 |
| 65391000 | M10 | 21,3 | 15 | 8 | 4 | 125 | 14 | 95 | 190 |
| 65391200 | M12 | 25,0 | 18 | 10 | 4 | 125 | 17 | 90 | 250 |
| 65391600 | M16 | 30,0 | 22,5 | 10 | 4 | 170 | 22 | 120 | 430 |
| 65392000 | M20 | 33,7 | 27 | 12 | 4 | 200 | 26 | 140 | 650 |
| 65392400 | M24 | 42,4 | 32 | 12 | 4 | 255 | 31 | 180 | 1100 |
| 65393000 | M30 | 51,0 | 38 | 16 | 4 | 255 | 38 | 160 | 1300 |