Klinové remenice, 1 drážka, profil XPZ, SPZ a Z (10)
Material: Special Light Alloy with Cast-Iron core. V-Belt Pulleys with nominal diametre including 250 mm are supplied as solid pulley, from 280 mm Ø as spoked pulley. 1) can only be used with standard V-belt DIN 2215 . * without cast-iron hub reinforcement.
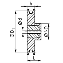
| SKU | Nominal Ø D1 [mm] | Pilot Bore d approx. [mm] | Max. Bore [mm] | Rim Width h [mm] | ND ca. [mm] | L ca. [mm] | Weight approx. [kg] | Remark |
|---|---|---|---|---|---|---|---|---|
| 15010200 | 50 | - | 22 | 16 | 35 | 28 | 0,10 | * 1) |
| 15010300 | 56 | - | 22 | 16 | 35 | 28 | 0,10 | * 1) |
| 15010600 | 63 | - | 22 | 16 | 35 | 28 | 0,10 | * |
| 15010700 | 71 | - | 25 | 16 | 40 | 28 | 0,20 | * |
| 15010800 | 80 | 10 | 28 | 16 | 48 | 28 | 0,40 | — |
| 15010900 | 90 | 10 | 28 | 16 | 48 | 28 | 0,50 | — |
| 15011000 | 100 | 10 | 28 | 16 | 48 | 28 | 0,50 | — |
| 15011100 | 112 | 10 | 28 | 16 | 48 | 28 | 0,50 | — |
| 15011200 | 125 | 10 | 28 | 16 | 48 | 28 | 0,50 | — |
| 15011400 | 140 | 10 | 28 | 16 | 48 | 28 | 0,60 | — |
| 15011600 | 160 | 12 | 35 | 16 | 60 | 32 | 0,90 | — |
| 15011800 | 180 | 12 | 35 | 16 | 60 | 32 | 1,00 | — |
| 15012000 | 200 | 12 | 35 | 16 | 60 | 32 | 1,10 | — |
| 15012200 | 224 | 12 | 35 | 16 | 60 | 32 | 1,20 | — |
| 15012500 | 250 | 12 | 35 | 16 | 60 | 32 | 1,50 | — |
| 15012800 | 280 | 12 | 35 | 16 | 60 | 40 | 1,70 | — |
| 15013100 | 315 | 14 | 40 | 16 | 65 | 40 | 2,00 | — |